無錫厚浦環??萍加邢薰旧a網板式階梯格柵,砂水分離器,PAM加藥裝置,產品質量好 |
|
|
|
 |
| |
無錫厚浦環保科技有限公司
史經理 15906151243
邵經理 15301530861
電話:0510-87830610
傳真:0510-87831340
網址:m.hzmsy.cn
郵箱:hopehb@126.com
地址:江蘇省宜興市高塍鎮塍文路18號 |
|
| |
|
|
PAM加藥裝置
|
|
|
|
|
概述:
|
|
PAM加藥裝置是一個自動、連續式的絮凝劑溶配裝置,配制溶液范圍為0-5000升/時,濃度為0.1%-0.3%。
干粉絮凝劑從螺旋推進器內進入速溶器內與清水進行預混,被濕潤的物料進入配制槽進行攪拌稀釋,按要求濃度進行配制;配制過程中,進水量在流量計觀測下必須相對穩定,從而保證在整個工作工程中,配制溶液濃度不變。
配制溶液從配制槽經熟化槽再進入儲存槽,當儲存槽液位處于高位時,配置過程自動停止,加藥液過程繼續,當溶液下降到中液位時,重新自動啟動配料過程。配制槽和熟化槽均設置攪拌器,充分保證絮凝劑的稀釋和熟化。另外,儲存槽溶液不足時會觸及下液位報警系統,所有系統均停止并報警。本裝置是由具有自動化程度高、性能穩定、工作可靠、操作簡單等特點。
|
|
|
|
產品特點: |
|
1、自動化程度高、操作簡單方便;
2、系統穩定可靠,有故障時相關設備會自動按要求停止,同時發出報警信號;
3、采用螺旋給料器投加粉體,可手動調速,保證投料均勻、分散、精度高;
4、在規定的生產量及連續投液條件下,其配置濃度為0.1%-0.5%;
5、干粉不足、藥液不足時均能發出報警信號;
6、采用微型振動馬達防干粉倉內架橋;
7、預混器加速粉料的水化作用。
|
|
|
|
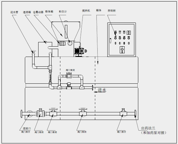
設備配置說明: |
|
表23-1 配置說明
|
|
標準配置
|
9、進水流量計(管式)
|
|
1、三腔式預調、熟化、成藥箱體
|
10、進水電磁閥
|
|
2、干粉投加箱
|
11、管閥件組合
|
|
3、干粉速溶裝置
|
12、控制箱子(本地控制含遠程控制接口)
|
|
4、手調式干粉加藥器
|
可選配置
|
|
5、干粉倉振動器
|
1、藥粉加熱裝置
|
|
6、干粉斷料報警器
|
2、進水電磁流量計
|
|
7、混合攪拌機
|
3、高濃度液態稀釋系統
|
|
8、成藥液位控制器
|
4、藥液投加泵
|
|
|
|
|
外形示意圖: |
|
|
|
|
|
|
|
技術參數表: |
|
表23-2 主要技術參數
|
|
|
|
型號
|
泡藥量 (L/H)
|
箱體有效總體積 (m3)
|
總功率 (kw)
|
|
TBAD1000
|
1000
|
1.5
|
2
|
|
TBAD 1500
|
1500
|
2
|
2.8
|
|
TBAD 2000
|
2000
|
2.5
|
2.8
|
|
TBAD 2500
|
2500
|
3
|
3.85
|
|
TBAD 3000
|
3000
|
3.5
|
3.85
|
|
TBAD 3500
|
3500
|
4
|
3.85
|
|
TBAD 4000
|
4000
|
4.5
|
5.05
|
|
|
|
|
|
|
|
|
|